| 操作 (operation) |
数量 (quantity) |
零件编号 (number) |
零件品号 (Product number) |
零件名称 (Product name) |
|---|---|---|---|---|
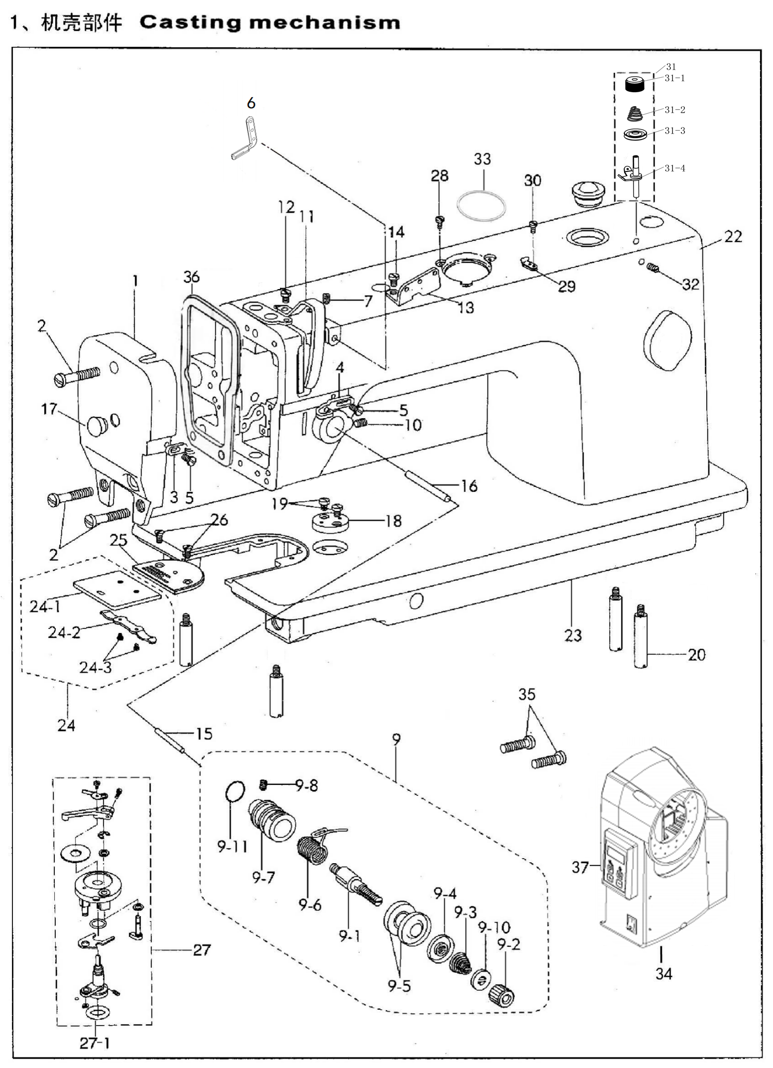
| 1 | PF2020101 | 面板(老子有钱lzyq88外形 )(毛坯) | ||
| 2 | PF6150107 | 面板螺钉 | ||
| 3 | PF03030103 | 面板线勾 | ||
| 4 | PF03030104 | 线勾 | ||
| 5 | PF6150106 | 面板线勾螺钉 | ||
| 6 | PF6150113 | 三眼线勾 | ||
| 7 | PF68425H33 | 螺钉 | ||
| 9 | PF03030109Q | 夹线器组件(灰) | ||
| 9-1 | PF03030109Q01 | 夹线螺钉 | ||
| 9-2 | PF03030109Q02 | 夹线螺母 | ||
| 9-3 | PF03030109Q03 | 夹线弹簧 | ||
| 9-4 | PF03030109Q04 | 松线板 | ||
| 9-5 | PF03030109Q05 | 夹线板 | ||
| 9-6 | PF03030109Q06 | 挑线簧 | ||
| 9-7 | PF03030109Q07 | 夹线调节座 | ||
| 9-8 | PF03030109Q08 | 夹线调节座螺钉 | ||
| 9-10 | PF03030109Q10 | 夹线螺母止动板 | ||
| 9-11 | PF03030109Q11 | O型圈 | ||
| 10 | PF555029 | 上轴后轴套螺钉GS0549 | ||
| 11 | PF03030111 | 挑线杆防护罩(镀铬) | ||
| 12 | PF6150211 | 挑线杆防护罩螺钉 | ||
| 13 | PF0302113 | 三眼线勾 | ||
| 14 | PF5550317 | 右线钩螺钉GS0552 | ||
| 15 | PF0303010909 | 松线钉 | ||
| 16 | PF6150712 | 松线杆 | ||
| 17 | PF6150104 | 面板橡皮塞φ11.8 | ||
| 18 | PF03030118 | 夹具座 | ||
| 19 | PF5550117 | 卷边器座螺钉 SM11/64″*40 L=5 | ||
| 20 | PF6150142 | 底板撑杆(长) | ||
| 22 | 33202E020101 | 202DP机头加工后 | ||
| 23 | 340303010101 | 202DP底板加工后 | ||
| 24 | PF0302CX143 | 推板组件 | ||
| 24-1 | PF0302CX0139 | 推板 | ||
| 24-2 | PF0302CX014301 | 推板簧 | ||
| 24-3 | PF0302CX014302 | 推板簧螺钉 | ||
| 25 | PF0302141 | 针板M2.6 | ||
| 26 | PF5550637 | 针板螺钉GS044 | ||
| 27 | PF03030127 | 绕线器组件 | ||
| 28 | PD-0128 | 绕线器固定螺钉(0303) | ||
| 29 | PF90000132 | 绕线切刀 | ||
| 30 | PF555068 | 送料连杆销螺钉GS0560 | ||
| 31 | PF03030131Q | 绕线器小夹线器组件(灰) | ||
| 31-1 | PF0303013105 | 绕线器小夹线器螺母 | ||
| 31-2 | PF0303013106 | 绕线器小夹线器弹簧 | ||
| 31-3 | PF0303013103 | 绕线器小夹线器夹线板 | ||
| 31-4 | PF0303013104 | 绕线器小夹线器螺钉 | ||
| 32 | PF555029 | 上轴后轴套螺钉GS0549 | ||
| 33 | PF03030137 | 绕线器橡胶垫 | ||
| 34 | 12010122FWA | 电机罩 | ||
| 35 | SCJ2011 | 内六角螺钉 | ||
| 36 | PF202D20102 | 面板垫(老子有钱lzyq88外形) | ||
| 37 | 12020009 | 面板组件 | ||
| 27-1 | PF03030127SF01 | 绕线器橡胶圈 |
